Related Specifications
Surface Treatments
Certifications
- ISO 9001 - 2015 Certified
- PED 2014/68/EC
- NACE MR0175/ISO 15156-2
- NORSOK M-650
- DFAR
- MERKBLATT AD 2000 W2/W7/W10
Metric hex cap screws used in international machinery and structural systems
B18.2.3.1M Metric Hex Cap Screws Dimension Standard provide precise metric sizing and thread specifications for global engineering applications.
| Nominal Dia.,D,and Thread Pitch | Body Dia., D s | Width Across Flats, S | Width Across Corners, E | Head Height, K | Wrenching Height, K1 1 | Washer Face Thick., C | Washer Face Dia., DW | |||||
|---|---|---|---|---|---|---|---|---|---|---|---|---|
| Max | Min. | Max | Min. | Max | Min. | Max | Min. | Min. | Max | Min. | Min. | |
| M5 | 5 | 4.82 | 8 | 7.78 | 9.24 | 8.79 | 3.65 | 3.35 | 2.4 | 0.5 | 0.2 | 7 |
| M6 | 6 | 5.82 | 10 | 9.78 | 11.55 | 11.05 | 4.15 | 3.85 | 2.8 | 0.5 | 0.2 | 8.9 |
| M8 | 8 | 7.78 | 13 | 12.73 | 15.01 | 14.38 | 5.5 | 5.1 | 3.7 | 0.6 | 0.3 | 11.6 |
| aM10 | 10 | 9.78 | 15 | 14.73 | 17.32 | 16.64 | 6.63 | 6.17 | 4.5 | 0.6 | 0.3 | 13.6 |
| M10 | 10 | 9.78 | 16 | 15.73 | 18.48 | 17.77 | 6.63 | 6.17 | 4.5 | 0.6 | 0.3 | 14.6 |
| M12 | 12 | 11.73 | 18 | 17.73 | 20.78 | 20.03 | 7.76 | 7.24 | 5.2 | 0.6 | 0.3 | 16.6 |
| M14 | 14 | 13.73 | 21 | 20.67 | 24.25 | 23.35 | 9.09 | 8.51 | 6.2 | 0.6 | 0.3 | 19.6 |
| M16 | 16 | 15.73 | 24 | 23.67 | 27.71 | 26.75 | 10.32 | 9.68 | 7 | 0.8 | 0.4 | 22.5 |
| M20 | 20 | 19.67 | 30 | 29.16 | 34.64 | 32.95 | 12.88 | 12.12 | 8.8 | 0.8 | 0.4 | 27.7 |
| M24 | 24 | 23.67 | 36 | 35 | 41.57 | 39.55 | 15.44 | 14.56 | 10.5 | 0.8 | 0.4 | 33.2 |
| M30 | 30 | 29.67 | 46 | 45 | 53.12 | 50.85 | 19.48 | 17.92 | 13.1 | 0.8 | 0.4 | 42.7 |
| M36 | 36 | 35.61 | 55 | 53.8 | 63.51 | 60.79 | 23.38 | 21.62 | 15.8 | 0.8 | 0.4 | 51.1 |
| M42 | 42 | 41.38 | 65 | 62.9 | 75.06 | 71.71 | 26.97 | 25.03 | 18.2 | 1 | 0.5 | 59.8 |
| M48 | 48 | 47.38 | 75 | 72.6 | 86.6 | 82.76 | 31.07 | 28.93 | 21 | 1 | 0.5 | 69 |
| M56 | 56 | 55.26 | 85 | 82.2 | 98.15 | 93.71 | 36.2 | 33.8 | 24.5 | 1 | 0.5 | 78.1 |
| M64 | 64 | 63.26 | 95 | 91.8 | 109.7 | 104.65 | 41.32 | 38.68 | 28 | 1 | 0.5 | 87.2 |
| M72 | 72 | 71.26 | 105 | 101.4 | 121.24 | 115.6 | 46.45 | 43.55 | 31.5 | 1.2 | 0.6 | 96.3 |
| M80 | 80 | 79.26 | 115 | 111 | 132.72 | 126.54 | 51.58 | 48.42 | 35 | 1.2 | 0.6 | 105.4 |
| M90 | 90 | 89.13 | 130 | 125.5 | 150.11 | 143.07 | 57.74 | 54.26 | 39.2 | 1.2 | 0.6 | 119.2 |
| M100 | 100 | 99.13 | 145 | 140 | 167.43 | 159.6 | 63.9 | 60.1 | 43.4 | 1.2 | 0.6 | 133 |
|
||||||||||||
| Nominal Screw Diameter and Thread Pitch |
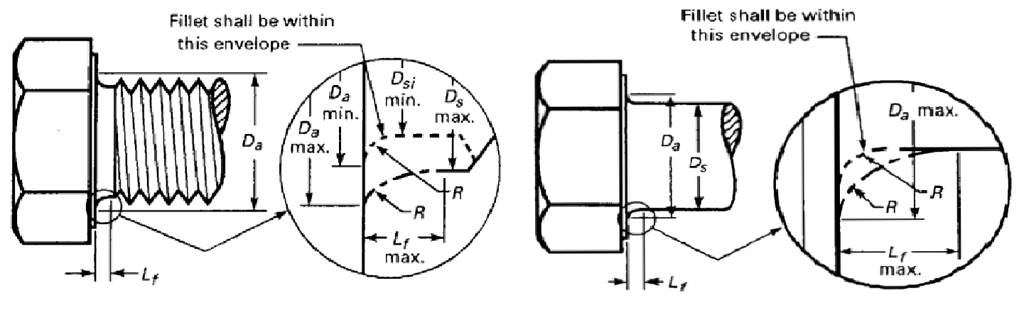
Fillet Transition Diameter, Da |
Fillet Length, Lf | Fillet Radius for Short and Long Screws, R, Min. |
Body Diameter for Short Screws, Dsi, Min. |
||
|---|---|---|---|---|---|---|
| For Short Screws, Min. |
For Short and Long Screws, Max. |
For Long Screws, Max. |
For Short Screws, Max. |
|||
| M5 | 5.1 | 5.7 | 1.2 | 0.7 | 0.2 | 4.36 |
| M6 | 6.2 | 6.8 | 1.4 | 0.9 | 0.25 | 5.21 |
| M8 | 8.3 | 9.2 | 2.0 | 1.1 | 0.4 | 7.04 |
| M10 | 10.2 | 11.2 | 2.0 | 1.2 | 0.4 | 8.86 |
| M12 | 12.2 | 13.7 | 3.0 | 1.3 | 0.6 | 10.68 |
| M14 | 14.1 | 15.7 | 3.0 | 1.4 | 0.6 | 12.50 |
| M16 | 16.5 | 17.7 | 3.0 | 1.6 | 0.6 | 14.50 |
| M20 | 20.7 | 22.4 | 4.0 | 2.1 | 0.8 | 18.16 |
| M24 | 24.5 | 26.4 | 4.0 | 2.3 | 0.8 | 21.80 |
| M30 | 30.8 | 33.4 | 6.0 | 3.0 | 1.0 | 27.46 |
| M36 | 36.6 | 39.4 | 6.0 | 3.1 | 1.0 | 33.12 |
| M42 | . . . | 45.6 | 8.0 | 3.4 | 1.2 | 38.78 |
| M48 | . . . | 52.6 | 10.0 | 4.0 | 1.6 | 44.43 |
| M56 | . . . | 63.0 | 12.0 | 4.8 | 2.0 | 52.09 |
| M64 | . . . | 71.0 | 13.0 | 5.0 | 2.0 | 59.74 |
| M72 | . . . | 79.0 | 13.0 | 5.0 | 2.0 | 67.74 |
| M80 | . . . | 87.0 | 13.0 | 5.0 | 2.0 | 75.74 |
| M90 | . . . | 97.0 | 13.0 | 5.0 | 2.5 | 85.74 |
| M100 | . . . | 107.0 | 13.0 | 5.5 | 2.5 | 95.72 |
| Nominal Screw Diameter and Thread Pitch | Thread Length, B, Ref | Transition Thread Length, X, Ref | Screws Threaded Full Length | ||||||
|---|---|---|---|---|---|---|---|---|---|
| Screw Lengths, L ≤ 125 | Screw Lengths, L > 125 & ≤ 200 | Screw Lengths, L > 200 | Screw Lengths, L, Under | Unthreaded Length Under Head, A, Max. [Note (1)] | Screw Lengths, L | Unthreaded Length Under Head, A, Max. |
|||
| At Least | Under | ||||||||
| M5 | 16 | 22 | 35 | 4.0 | 10 | 1.2 | 10 | 25 | 2.4 |
| M6 | 18 | 24 | 37 | 5.0 | 12 | 1.5 | 12 | 30 | 3.0 |
| M8 | 22 | 28 | 41 | 6.25 | 16 | 1.9 | 16 | 40 | 4.0 |
| M10 | 26 | 32 | 45 | 7.5 | 20 | 2.2 | 20 | 45 | 4.5 |
| M12 | 30 | 36 | 49 | 8.75 | 24 | 2.6 | 24 | 50 | 5.3 |
| M14 | 34 | 40 | 53 | 10.0 | 28 | 3.0 | 28 | 60 | 6.0 |
| M16 | 38 | 44 | 57 | 10.0 | 32 | 3.0 | 32 | 65 | 6.0 |
| M20 | 46 | 52 | 65 | 12.5 | 40 | 3.8 | 40 | 80 | 7.5 |
| M24 | 54 | 60 | 73 | 15.0 | ... | ... | ... | 90 | 9.0 |
| M30 | 66 | 72 | 85 | 17.5 | ... | ... | ... | 110 | 10.5 |
| M36 | ... | 84 | 97 | 20.0 | ... | ... | ... | 140 | 12.0 |
| M42 | ... | 96 | 109 | 22.5 | ... | ... | ... | 160 | 13.5 |
| M48 | ... | 108 | 121 | 25.0 | ... | ... | ... | 180 | 15.0 |
| M56 | ... | ... | 137 | 27.5 | ... | ... | ... | 220 | 16.5 |
| M64 | ... | ... | 153 | 30.0 | ... | ... | ... | 260 | 18.0 |
| M72 | ... | ... | 169 | 30.0 | ... | ... | ... | 280 | 18.0 |
| M80 | ... | ... | 185 | 30.0 | ... | ... | ... | 300 | 18.0 |
| M90 | ... | ... | 205 | 30.0 | ... | ... | ... | 340 | 18.0 |
| M100 | ... | ... | 225 | 30.0 | ... | ... | ... | 360 | 18.0 |
| Nominal Length | Nominal Screw Diameter | ||||||||
|---|---|---|---|---|---|---|---|---|---|
| Over | Thru | M5 | M6 | M8 | M10 | M12 | M14 | M16-M24 | >M24 |
| 6 | 10 | ±0.29 | ±0.29 | ±0.29 | ±0.29 | ... | ... | ... | ... |
| 10 | 18 | ±0.35 | ±0.35 | ±0.35 | ±0.35 | ±0.35 | ±0.35 | ±0.35 | ... |
| 18 | 30 | ±0.42 | ±0.42 | ±0.42 | ±0.42 | ±0.42 | ±0.42 | ±0.42 | ±1.05 |
| 30 | 50 | ±0.50 | ±0.50 | ±0.50 | ±0.50 | ±0.50 | ±0.50 | ±0.50 | ±1.25 |
| 50 | 60 | ±1.50 | ±0.60 | ±0.60 | ±0.60 | ±0.60 | ±0.60 | ±0.60 | ±1.50 |
| 60 | 80 | ±1.50 | ±1.50 | ±0.60 | ±0.60 | ±0.60 | ±0.60 | ±0.60 | ±1.50 |
| 80 | 100 | ±1.75 | ±1.75 | ±1.75 | ±0.70 | ±0.70 | ±0.70 | ±0.70 | ±1.75 |
| 100 | 120 | ±1.75 | ±1.75 | ±1.75 | ±1.75 | ±0.70 | ±0.70 | ±0.70 | ±1.75 |
| 120 | 140 | ±2.00 | ±2.00 | ±2.00 | ±2.00 | ±2.00 | ±0.80 | ±0.80 | ±2.00 |
| 140 | 150 | ±2.00 | ±2.00 | ±2.00 | ±2.00 | ±2.00 | ±2.00 | ±0.80 | ±2.00 |
| 150 | 180 | ±2.00 | ±2.00 | ±2.00 | ±2.00 | ±2.00 | ±2.00 | ±2.00 | ±2.00 |
| 180 | 250 | ±2.30 | ±2.30 | ±2.30 | ±2.30 | ±2.30 | ±2.30 | ±2.30 | ±2.30 |
| 250 | 315 | ±2.60 | ±2.60 | ±2.60 | ±2.60 | ±2.60 | ±2.60 | ±2.60 | ±2.60 |
| 315 | 400 | ±2.85 | ±2.85 | ±2.85 | ±2.85 | ±2.85 | ±2.85 | ±2.85 | ±2.85 |
| 400 | 500 | ±3.15 | ±3.15 | ±3.15 | ±3.15 | ±3.15 | ±3.15 | ±3.15 | ±3.15 |