Related Specifications
Surface Treatments
Certifications
- ISO 9001 - 2015 Certified
- PED 2014/68/EC
- NACE MR0175/ISO 15156-2
- NORSOK M-650
- DFAR
- MERKBLATT AD 2000 W2/W7/W10
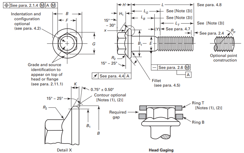
Flange head screws with integrated washer for load distribution and vibration resistance
B18.2.1 Hex Flange Screws Dimension Standard define integrated flange head geometry that distributes load evenly and improves fastening reliability.
| Nominal Size (Ref Inch) | Body Diam., E | Width Across Flats, F | Width Across Corners, G | Maximum Flange Diam., B | Minimum Flange Thickness, K | Maximum Head Height, H | Minimum Hex Height, H1 | Maximum Flange Top Radius, R2 | Minimum Bearing Diam., B1 | Maximum Runout of Bearing Surface FIM | Basic Thread Length, LT | Maximum Transition Thread Length, Y | Ring T | Ring B | ||||||||
|---|---|---|---|---|---|---|---|---|---|---|---|---|---|---|---|---|---|---|---|---|---|---|
| Max. | Min. | Basic (Ref) | Max. | Min. | Max. | Min. | For Screws With L ≤ 152.4mm | For Screws With L > 152.4mm | For Screws With L ≤ 152.4mm | For Screws With L > 152.4mm | Inside Diameter | Inside Diameter | Thickness | |||||||||
| 1/4 | 0.2500 | 6.350 | 6.223 | 9.525 | 9.525 | 9.322 | 10.998 | 10.389 | 14.224 | 1.016 | 7.112 | 4.318 | 0.381 | 12.192 | 0.254 | 19.050 | 25.400 | 10.160 | 16.510 | 10.396 | 11.125 | 3.012 |
| 5/16 | 0.3125 | 7.938 | 7.785 | 12.700 | 12.700 | 12.421 | 14.656 | 13.919 | 17.272 | 1.270 | 8.128 | 5.334 | 0.483 | 15.240 | 0.279 | 22.225 | 28.575 | 10.592 | 16.942 | 13.927 | 14.783 | 3.701 |
| 3/8 | 0.3750 | 9.525 | 9.373 | 14.288 | 14.288 | 13.995 | 16.510 | 15.697 | 20.574 | 1.524 | 9.906 | 6.350 | 0.559 | 18.542 | 0.305 | 25.400 | 31.750 | 11.125 | 17.475 | 15.705 | 16.637 | 4.392 |
| 7/16 | 0.4375 | 11.113 | 10.935 | 15.875 | 15.875 | 15.545 | 18.339 | 17.399 | 23.622 | 1.778 | 11.684 | 7.620 | 0.660 | 21.590 | 0.330 | 28.575 | 34.925 | 11.786 | 18.136 | 17.407 | 18.542 | 5.334 |
| 1/2 | 0.5000 | 12.700 | 12.522 | 19.050 | 19.050 | 18.694 | 21.996 | 20.955 | 27.178 | 2.032 | 12.954 | 8.636 | 0.762 | 24.892 | 0.356 | 31.750 | 38.100 | 12.217 | 18.567 | 20.963 | 22.225 | 6.022 |
| 9/16 | 0.5625 | 14.288 | 14.084 | 20.638 | 20.638 | 20.269 | 23.825 | 22.733 | 30.226 | 2.286 | 14.478 | 9.652 | 0.864 | 27.940 | 0.381 | 34.925 | 41.275 | 19.050 | 19.050 | 22.741 | 24.130 | 6.713 |
| 5/8 | 0.6250 | 15.875 | 15.672 | 23.813 | 23.813 | 23.419 | 27.508 | 26.264 | 33.782 | 2.540 | 15.748 | 10.668 | 0.965 | 31.242 | 0.432 | 38.100 | 44.450 | 19.634 | 19.634 | 26.271 | 27.813 | 7.402 |
| 3/4 | 0.7500 | 19.050 | 18.821 | 28.575 | 28.575 | 27.940 | 32.995 | 31.344 | 40.386 | 2.794 | 18.542 | 12.954 | 1.143 | 37.338 | 0.508 | 44.450 | 50.800 | 20.320 | 20.320 | 31.351 | 33.325 | 9.035 |
| Nominal Length | Nominal Size (inches) | |||||
|---|---|---|---|---|---|---|
| 1/4 to 3/8 | 7/16 and 1/2 | 9/16 to 3/4 | 7/8 and 1 | 1 1/8 to 1 1/2 | Over 1 1/2 | |
| Up to 25.4 mm, incl. | +0.000 0.762 |
+0.000 0.762 |
+0.000 0.762 |
... | ... | ... |
| Over 25.4 mm to 63.5 mm, incl. | +0.000 1.016 |
+0.000 1.524 |
+0.000 2.032 |
+0.000 2.540 |
+0.000 3.048 |
+0.000 4.572 |
| Over 63.5 mm to 101.6 mm, incl. | +0.000 1.524 |
+0.000 2.032 |
+0.000 2.540 |
+0.000 3.556 |
+0.000 4.064 |
+0.000 5.080 |
| Over 101.6 mm to 152.4 mm, incl. | +0.000 2.540 |
+0.000 2.540 |
+0.000 2.540 |
+0.000 4.064 |
+0.000 4.572 |
+0.000 5.588 |
| Longer than 152.4 mm | +0.000 4.572 |
+0.000 4.572 |
+0.000 4.572 |
+0.000 5.080 |
+0.000 5.588 |
+0.000 6.096 |